Technical Specs Define The Weight Of A 6 Sliding Door
TECHNICAL definition: belonging or pertaining to an art, science, or the like. See examples of technical used in a sentence. TECHNICAL definition: 1. relating to the knowledge, machines, or methods used in science and industry: 2. relating to.. Learn more. Having or demonstrating special skill or practical knowledge especially in a mechanical or scientific field: a technical adviser; technical expertise in digital photography. belonging or pertaining to an art, science, or the like: technical skill. peculiar to or characteristic of a particular art, science, profession, trade, etc.: technical details. Having or demonstrating special skill or practical knowledge especially in a mechanical or scientific field. A technical adviser; technical expertise in digital photography.
The meaning of TECHNICAL is having special and usually practical knowledge especially of a mechanical or scientific subject. How to use technical in a sentence. Technical communication (or tech comm) is communication of technical subject matter such as engineering, science, or technology content. The largest part of it tends to be technical writing,. You use technical to describe the practical skills and methods used to do an activity such as an art, a craft, or a sport. Their technical ability is exceptional. TECHNICAL meaning: 1 : relating to the practical use of machines or science in industry, medicine, etc.; 2 : teaching practical skills rather than ideas about literature, art, etc.
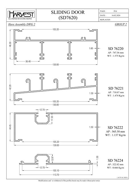
CT Sliding Door SD7620 – HARVEST ALUMINIUM
